芯片资讯
- 发布日期:2024-11-20 07:12 点击次数:192
许多电子电路需要利用一个器件来将不同的电路隔离或分离开。这种特殊器件称为缓冲器,缓冲器是单位增益放大器,具有极高输入电阻和极低输出电阻。这意味着可以将缓冲器模拟为一个增益为1的压控电压源,缓冲器具有几乎无限大的输入电阻,因而不存在负载效应,故VIN = VOUT。
此外,缓冲器的输出电压对负载电阻不敏感,因为理想缓冲器的输出电阻基本上为零。将单位增益缓冲器放置在数模转换器(DAC)和负载之间,可以轻松解决负载效应问题。
给系统添加单位增益缓冲器时,务必不要影响精度和性能。最重要的一点是计算增加的噪声:

其中:
en = 缓冲器输入电压噪声密度in = 缓冲器输入电流噪声密度f = 器件输入带宽(Hz)
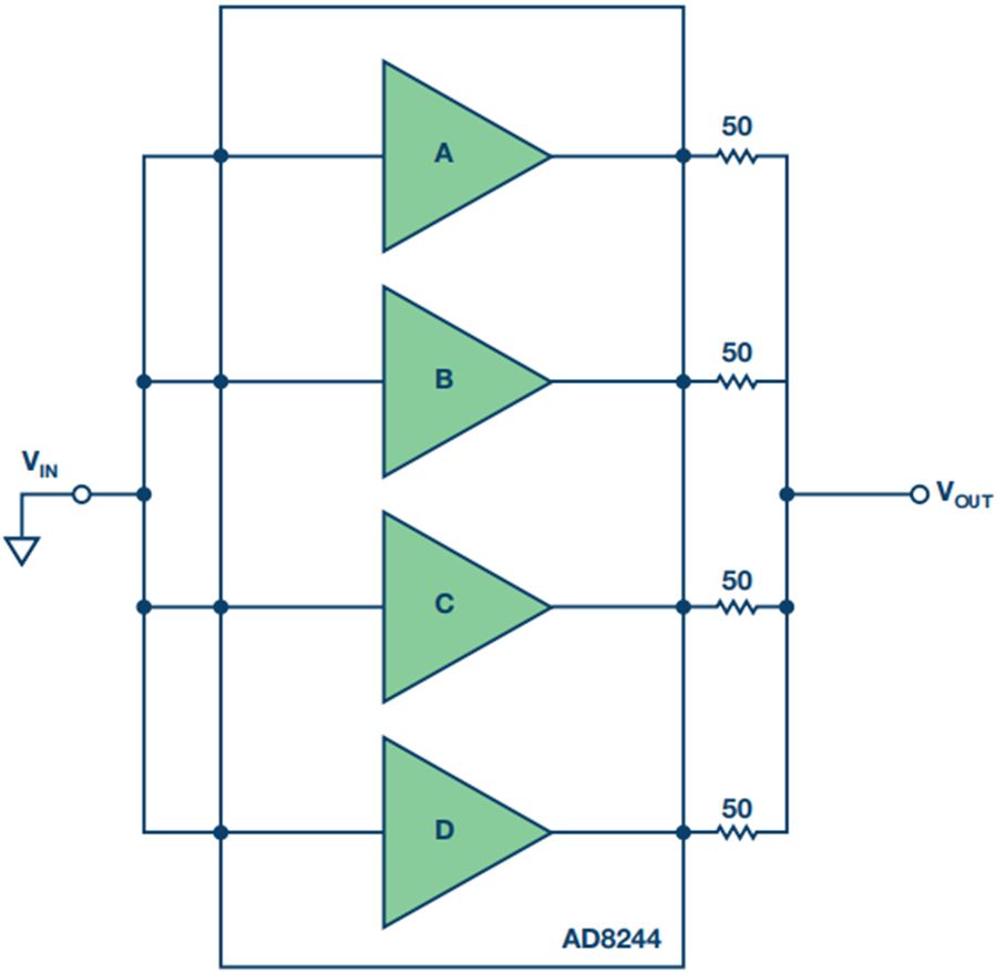
在图1所示电路中,各通道的电流噪声极低(0.8 fA/√Hz);相比之下,电压噪声则有(13 nV/√Hz)。因此,要降低系统中增加的噪声,必须降低此电压噪声。并联放置多个缓冲器可降低电压噪声。例如,两个缓冲器并联可将电压噪声降低√22, 芯片采购平台所有四个缓冲器并联相当于一个噪声减半的缓冲器。这种方法的缺点是偏置电流、电流噪声和输入电容提高,但在本例中, 这些效应可忽略不计。在输出之间放置一个 50 Ω之类的小电阻,可防止各输出之间的细微差异引起的额外电流流动。对于对功耗不太敏感的应用,可以省去这些 50 Ω电阻以提高可用输出电流。

图1. 新型低噪声缓冲器AD8244
图1所示电路是缓冲放大器的一种新型配置,能将电压噪声减半。AD8244 是一款四通道、JFET输入、单位增益缓冲器,具有远超预期的高性能。其最大偏置电流为2 pA,电流噪声接近于零,输入阻抗为10 TΩ,因此即使源阻抗为MΩ级别,也几乎 不产生任何误差。该器件具有低电压噪声、宽电源范围和高精度特性,而且非常灵活,足以为任何需要单位增益缓冲器(甚至低源电阻)的应用提供高性能。
图2比较了普通单通道缓冲器和有四个并联通道的新型缓冲器 AD8244的噪声性能。

图2. 新型缓冲器AD8244的性能:噪声仅为普通缓冲器的一半
AD8244
低功耗250 μA(每放大器的最大电源电流)
FET输入输入偏置电流:2 pA(最大值,25°C)极高的输入阻抗
低噪声电压噪声:13 nV/√Hz (1 kHz)电压噪声:0.4 μV p-p(0.1 Hz至10 Hz)电流噪声:0.8 fA/√Hz (1 kHz)
高直流精度最大失调漂移:3 μV/°C(B级)
带宽:3 MHz
独特的引脚排列输入至电源引脚间无漏电流提供保护功能
轨到轨输出
单电源供电输入范围扩展至地
宽电源范围单电源:3 V至36 V双电源:±1.5 V至±18 V
采用10引脚紧凑型MSOP封装
- 电子电路元器件套装与原理图解析:芯片分销商模式如何赋能电子设计2025-05-06
- 我国前2个月集成电路出口增长近三层2024-12-06
- CD4011与非门控制的声光控制电路图2024-11-19
- 集成芯片,半导体和集成电路的区别2024-11-11
- 防护电源模块常见的电路拓扑2024-10-30
- 无源滤波电路常用的五种电路形式2024-10-16
